Hacer reverb, delay o eco. PT2399 ES56033 HT8970 TP5299 EKL2018S
Proyecto 1: reverb o eco con PT2399, TP5299 o HT8970.
El circuito integrado PT2399 es de los procesadores de audio que funciona mejor y es algo común. Utiliza la tegnología CMOS, es de bajo ruido y baja distorsión, además de funcionar con una fuente simple de 5 voltios.
Superando con creces los tradicionales circuitos BBD (Bucket-Brigade Device).
Es similar al HT8970, al TP5299 y al EKL2018S en características, las conexiones de las patillas son exactamente iguales. El circuito integrado ES56033 mostrado más abajo tiene algunas diferencias en las conexiones.
Si aún no lo ha comprado podemos ver estos datos:
TP5299 48Kbits Ruido no mayor a -90dBV y distorsión menor a 0.5%
PT2399 44Kbits Ruido no mayor a -90dBV y distorsión menor a 0.5%
HT8970 20Kbits Ruido no mayor a -85dBV y distorsión menor a 1%
EKL2018S 48K equivale a TP5299
Aunque el circuito integrado TP5299 es algo superior, es más común el PT2399 y por ello más barato,
se pueden conseguir unidades con precios alrededor de US$1.00 en eBay desde china.
Diagrama del diseño recomendado por el fabricante para el PT2399:

en el pin 6 del PT2399 o similares se ajusta el tiempo de retardo (delay) la resistencia R puede ser de muy bajo valor (500Ω) si queremos llegar a tiempos cortos (reverberación), o valores altos para solo utilizar tiempos largos o eco.
Para el valor total entre R y la resistencia variable 20K se aplican estos tiempos:
PT2399
27.6K = 342ms
12.1K = 171ms
5.8K = 97.1ms
1.67K = 48.1ms
288Ω = 32.6ms
TP5299
86.3K = 393ms
41.9K = 196ms
19K = 98ms
7.9K = 56ms
600Ω = 46ms
HT8970
49.8K = 327.6ms
23.3K = 163.8ms
9.99K = 81.89ms
3.98K = 40.94ms
2.28K = 29.78ms
Con estos valores podemos ver que realmente el valor de 20K aplica para el circuito integrado PT2399,
para el TP5299 el valor sería cerca a 100k y para el HT8970 50K.
Por reverb se entiende reverberador que es el eco con poco tiempo de separación. Creando un efecto como estar en un templo o catedral.
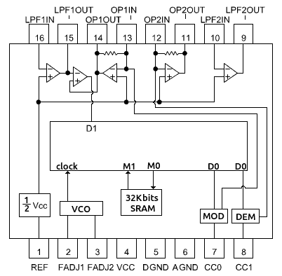
Diagrama en bloques del procesador de audio TP5299 (aplica para PT2399, EKL2018S o HT8970):
HT8970En el diagrama siguiente podemos ver las conexiones del procesador de audio (eco o reverberador) utilizando el circuito integrado HT8970 con unas ligeras diferencias con los anteriores mostrados. Aunque este es inferior en características funciona muy bien sobre todo con la voz, para ser utilizado como reverb para micrófono.
Proyecto 2: reverb o eco con ES56033
Este circuito integrado es similar a los anteriores descritos, solo que utiliza un oscilador (VCO) algo diferente, y sus patillas están colocadas en diferente posición.
Algunas de sus características son:
ES56033 32Kbits Ruido no mayor a -65dBV y distorsión menor a 1%
Funciona con 5 voltios.
Diagrama de conexiones del circuito integrado ES56033:
Diagrama en bloques del procesador de audio
ES56033:
Tambien existe el ES56030 de 8Kbits de menor calidad de sonido.
Para utilizar estos procesadores de audio con un micrófono debe de agregarse un preamplificador.
Puede verlos en este enlace:
Preamplificadores.TI2-CAW
.inicio..Regresar al menú de Proyectos de Electronica.